+86-0523-83274900
Storz Locking 스레드 커플 링
/ 제품 / 표준 커플 링 / 특정 커플 링 / Storz 잠금 커플 링 / Storz Locking 스레드 커플 링

Storz Locking 스레드 커플 링

Storz Locking 스레드 커플 링은 Storz Coupling Series에 속하며 한쪽 끝은 다음과 같습니다. 내부 또는 외부 스레드 그리고 다른 쪽 끝에는 a Storz 잠금 커플 링.
이 커플 링은 사용됩니다 소방 호스 및 소방 장비를 연결하십시오 (소방 펌프, 소방 호스 및 소화전과 같은).
이 시리즈는 주로 큰 크기로 제공되며 요청시 작은 크기를 사용자 정의 할 수 있습니다.

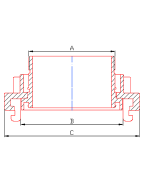
치수 자원

항목 번호.

DIN/MM

디아

A/mm

b/mm

c/mm

/

100

4 "

M100*3

115

156

125

5 "

M125*3

148

196

150

6 "

M145*3

160

215

200

8 "

M200*4

220

280

250

10 "

M255*4

278

339

300 (3teeth)

12 "

M290*4

316

384

350

14 "

M350*4

336

448

* 요청시 재료 및 제조 공정은 사용자 정의 할 수 있습니다.
* 기타 요구 사항 (예 : 작업 압력, 버스트 압력 등)도 필요에 따라 사용자 정의 할 수 있습니다.

Jiangsu Jinding Fire Protection Technology Co., Ltd.
Jiang Su Xinghua Economic Development Zone에 위치한 Jiangsu Jinding Fire Protection Technology Co., Ltd.는 1998 년에 설립되었으며 설계, 개발, 생산 및 판매를 통합하는 산업 회사입니다. 이 회사는 ISO9001 : 2015 품질 시스템 인증 및 제품 자발적 인증을 통과했으며 관련 제품은 National Fire Equipment 품질 감독 및 검사 센터의 검사 보고서를 얻었습니다.
저희 회사는 주로 소방용 커플링, 물 노즐, 소화전, 대구경 파이프 커플링, 유전용 급수 커플링 등 다양한 제품을 생산합니다. 이 제품들은 소방, 석유, 화학, 군사 및 기타 산업 분야에서 널리 사용됩니다.
이 회사는 우수한 독립적 인 R & D 기능을 보유하고 있으며 곰팡이 제조, 생산 처리 및 제품 테스트와 같은 모든 생산 공정 세트를 보유하고 있습니다. 동시에, 기업은 고객의 요구 사항에 대한 중요성을 부착하고, 시장 역학을 적시에 파악하고, 새로운 제품을 지속적으로 개발하고 생산하며, 신규 및 오래된 고객의 신뢰와 칭찬을 얻습니다.
회사는 신뢰할 수 있는 서비스를 제공합니다 Storz Locking 스레드 커플 링 품질에 대한 헌신과 협력적 파트너십을 기반으로 전문적인 서비스를 제공하며, 고객과 지속 가능한 협력 관계를 구축하기 위해 노력합니다.
27+

27 년의 산업 제조 경험

인증서
소식
대화하자
그냥 인사하면 유익한 협력을 시작하겠습니다. 자신의 성공 사례를 시작하십시오.
귀하의 비즈니스에 장비가 필요하십니까?
우리 팀이 사용자 정의 솔루션을 제공하도록하십시오.