+86-0523-83274900
STORZ 어댑터 커플 링 - 수컷 Machino
/ 제품 / 어댑터 / STORZ 어댑터 커플 링 - 수컷 Machino

STORZ 어댑터 커플 링 - 수컷 Machino

어댑터 커플 링은 다른 표준과 피팅 유형을 연결하거나 변환하는 데 사용됩니다. 그렇지 않으면 호환되지 않는 인터페이스가 서로 완벽하게 연결되도록합니다.

어댑터 커플 링은 다음을 포함하되 다음과 같습니다. 독일인 To Storz (남성/여성), 독일어에서 임업, 독일어 독일어, 독일어, 독일어, 플랜지, 독일어에서 독일, 매장 남성에서 Storz 여성, Storz to Forestry 등
모든 유형의 어댑터 커플 링은 요청시 사용자 정의 할 수 있습니다.

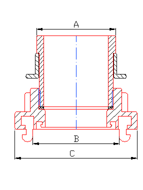
치수 자원

항목 번호.

DIN/MM

디아

A/mm

b/mm

c/mm

/

25/40

1 "/1.5"

29

53

82

25/50

1 "/2"

29

66

98

25/65

1 "/2.5"

29

76

110

25/80

1 "/3"

29

89

126

40/40

1.5 "/1.5"

43.6

53

82

40/50

1.5 "/2"

43.6

66

98

40/65

1.5 "/2.5"

43.6

76

110

40/80

1.5 "/3"

43.6

89

126

50/50

2 "/2"

55.6

66

98

50/65

2 "/2.5"

55.6

76

110

50/80

2 "/3"

55.6

89

126

65/65

2.5 "/2.5"

68.5

76

110

65/80

2.5 "/3"

68.5

89

126

80/80

3 "/3"

81.5

89

126

* 요청시 재료 및 제조 공정은 사용자 정의 할 수 있습니다.
* 기타 요구 사항 (예 : 작업 압력, 버스트 압력 등)도 필요에 따라 사용자 정의 할 수 있습니다.

Jiangsu Jinding Fire Protection Technology Co., Ltd.
Jiang Su Xinghua Economic Development Zone에 위치한 Jiangsu Jinding Fire Protection Technology Co., Ltd.는 1998 년에 설립되었으며 설계, 개발, 생산 및 판매를 통합하는 산업 회사입니다. 이 회사는 ISO9001 : 2015 품질 시스템 인증 및 제품 자발적 인증을 통과했으며 관련 제품은 National Fire Equipment 품질 감독 및 검사 센터의 검사 보고서를 얻었습니다.
저희 회사는 주로 소방용 커플링, 물 노즐, 소화전, 대구경 파이프 커플링, 유전용 급수 커플링 등 다양한 제품을 생산합니다. 이 제품들은 소방, 석유, 화학, 군사 및 기타 산업 분야에서 널리 사용됩니다.
이 회사는 우수한 독립적 인 R & D 기능을 보유하고 있으며 곰팡이 제조, 생산 처리 및 제품 테스트와 같은 모든 생산 공정 세트를 보유하고 있습니다. 동시에, 기업은 고객의 요구 사항에 대한 중요성을 부착하고, 시장 역학을 적시에 파악하고, 새로운 제품을 지속적으로 개발하고 생산하며, 신규 및 오래된 고객의 신뢰와 칭찬을 얻습니다.
회사는 신뢰할 수 있는 서비스를 제공합니다 STORZ 어댑터 커플 링 - 수컷 Machino 품질에 대한 헌신과 협력적 파트너십을 기반으로 전문적인 서비스를 제공하며, 고객과 지속 가능한 협력 관계를 구축하기 위해 노력합니다.
27+

27 년의 산업 제조 경험

인증서
소식
대화하자
그냥 인사하면 유익한 협력을 시작하겠습니다. 자신의 성공 사례를 시작하십시오.
귀하의 비즈니스에 장비가 필요하십니까?
우리 팀이 사용자 정의 솔루션을 제공하도록하십시오.